PLC課程培訓班-幾種常用的PLC梯形圖控制程序
時間:2020-01-03 15:28
來源:PLC培訓
今天智通PLC課程培訓班依舊為大家帶來PLC相關學習內容,給大家分享幾種PLC梯形圖控制程序圖,大家可以參考學習哦。
1、啟動、保持和停止電路-PLC課程培訓班
實現Y10的啟動、保持和停止的四種梯形圖如圖所示。這些梯形圖均能實現啟動、保持和停止的功能。X0為啟動信號,X1為停止信號。圖a、c是利用Y10 常開觸點實現自鎖保持,而圖b、d是利用SET、RST指令實現自鎖保持。、
2、三相異步電動機正反轉控制-PLC課程培訓班
3、常閉觸點輸入信號的處理-PLC課程培訓班
如果輸入信號只能由常開觸點提供,梯形圖中的觸點類型與繼電器電路的觸點類型完全一致。如果接入PLC的是輸入信號的常閉觸點,這時在梯形圖中所用的X1的觸點的類型與PLC外接SB2的常開觸點時剛好相反,與繼電器電路圖中的習慣也是相反的。建議盡可能采用常開觸點作為PLC的輸入信號。
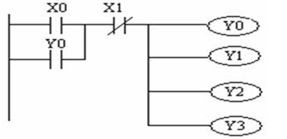
4、多繼電器線圈控制電路-PLC課程培訓班
下圖是可以自鎖的同時控制4個繼電器線圈的電路圖。其中X0是起動按鈕,X1是停止按鈕。
智通教育(m.qiaolutong.com)致力于PLC編程培訓、開設西門子PLC培訓班,PLC學習班、PLC培訓機構,以及工業機器人應用工程師、工業機器人集成工程師、智能制造全能工程師等智能制造行業課程。詳情請聯系:0769-8707-8088

粵公網安備 44190002001278


