如何使用庫卡機器人內部電磁閥
庫卡部分型號的工業機器人在腕部集成有電磁閥,用于驅動機器人六軸末端的夾具或其他執行器。本文以KUKA AGILUS sixx KR900系列型號機器人為例,講解如何使用庫卡機器人內部的電磁閥。
KR900機器人在腕部集成有三個雙穩態三位五通電磁閥,閥門由內部供電系統控制。電磁閥參數如表1所示:
表1——電磁閥參數
|
名稱 |
參數 |
|
閥門型號 |
三位五通電磁閥 |
|
最高壓力 |
7 bar |
|
開關頻率 |
10 Hz |
|
工作溫度 |
+5°C至 +45°C無冷凝水 |
|
接頭螺紋 |
M 5 |
|
工作媒介 |
空氣,無油,經過濾,過濾精度最大5 um |
|
工作電壓 |
DC 24 V |
|
工作電流 |
25 mA |
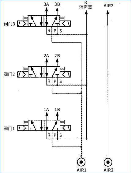
電池閥氣路圖如圖1所示:
圖1——電磁閥氣路圖
電磁閥控制信號分配如表2所示:
表2——電磁閥控制信號分配
|
名稱 |
數值 |
|
數字輸出端 |
6個數字輸出信號(DO7至DO12): 閥門1:DO7/DO10 閥門2:DO8/DO11 閥門3:DO9/DO12 |
|
額定電壓 |
DC 24 V(-15%/+20%) |
|
輸出電流 |
最大25uA |
|
備注: 新機未進行輸入輸出配置,需要使用workvisual進行配置。配置I/O時,亦不可再將DO7-DO12分配給其他I/O單元模塊。 |
|
電磁閥氣路接口如圖2所示:
圖2——電磁閥氣路接口
如果需要使用機器人內置的電磁閥,可以在訂購機器人時一同訂購空氣插頭附件選項包,該選項包包含一個消聲器和多個快插式螺紋管接頭。如未購買機器人時未訂購空氣接頭附件選項包,亦可以在五金商城購買到M5螺紋接頭的消聲器和M5的氣管快接頭。
由于篇幅所限,本文未講解如何使用workvisual軟件,為庫卡機器人進行I/O配置。不懂如何使用workvisual軟件配置I/O的讀者,請持續關注智通智能制造學院的“玩轉工業機器人公眾號”!有意向學習工業機器人應用、機器視覺、PLC自動化編程等技術的朋友,請聯系本文作者阿諾!
智通教育是東莞市專業的工業機器人培訓機構,平時會不定期的在網站發布一些工業機器人課程相關的知識點,有興趣的同學歡迎大家關注本網站!

粵公網安備 44190002001278


